Фильтры EMP Tempest Powerline
Особенности фильтров EMP
• Конструкция с ВЧ резонансом.
• Надежные элементы подавления.
• Низкие потери производительности.
• Долгий срок службы фильтров EMP.
• Импульсный ток.
• Широкий выбор по параметрам.
• Доступны нестандартные конструкции (под заказ).
• Производство фильтров EMP: ETS-Lindgren.
Соответствие стандартам
• Ст.MIL-F-15733.
• Ст.MIL-STD-188-125-1, -2.
• Ст.MIL-STD-220C.
• Ст.IEC 60939.
• Ст.UL 1283.
• Ст.LVD (2006/95/EC).
Цена по запросу, e-mail: info@ems-kamera.ru
Описание фильтров EMP Tempest
Фильтры EMP Tempest Powerline применяются в промышленной и военной отраслях.
Power Line фильтры EMP/HEMP защищают от перенапряжения и служат для защиты от EMI/RFI.
Фильтры соответствуют MIL-STD-188-125-1 (-2) для импульсов коротких и промежуточных, а также TEMPEST, SCIF и др.
Однопроводные и двухпроводные фильтры имеют номинальное напряжение 277/480 VAC, ток 10 – 1250 А.
Конфигурации фильтров EMP
Фильтры серии EMP/HEMP имеют следующие конфигурации:
• Индивидуальные, отдельно установленные в цепи.
• Двойные фильтры «Twin» цепи для одной фазы.
• Многолинейная панель фильтров для установки средств:
- однофазные,
- трехфазные.
• Фильтры серии LRX-1xxx устанавливаются в двух конфигурациях:
- S2 для прямой установки в экранированном помещении;
- S3 для установки индивидуальных фильтров или установки фильтров внутри панели (LFPRX-EMP и LPRX-EMP).
Характеристики фильтров EMP
Электрические характеристики
| Модель фильтра EMP | Номинальный ток, А |
| LRX-1030-EMP-* | 30 |
| LRX-1060-EMP-* | 60 |
| LRX-1100-EMP-* | 100 |
| LRX-1250-EMP-* | 250 |
| LRX-1400-EMP-* | 400 |
| LRX-2010-EMP-** | 2 x 30 |
| LRX-2030-EMP-** | 2 x 30 |
| LRX-2060-EMP-** | 2 x 60 |
| LRX-2100-EMP-** | 2 x 100 |
| LRX-2250-EMP-** | 2 x 250 |
| LRX-2400-EMP-** | 2 x 400 |
| LPRX-2x30-EMP | 2 x 30 |
| LPRX-3x30-EMP | 3 x 30 |
| LPRX-4x30-EMP | 4 x 30 |
| LPRX-2x60-EMP | 2 x 60 |
| LPRX-3x60-EMP | 3 x 60 |
| LPRX-4x40-EMP | 4 x 60 |
| LPRX-2x100-EMP | 2 x 100 |
| LPRX-3x100-EMP | 3 x 100 |
| LPRX-4x100-EMP | 4 x 100 |
| LFPRX-2x250-EMP | 2 x 250 |
| LFPRX-3x250-EMP | 3 x 250 |
| LFPRX-4x250-EMP | 4 x 250 |
| LFPRX-2x400-EMP | 2 x 400 |
| LFPRX-3x400-EMP | 3 x 400 |
| LFPRX-4x400-EMP | 4 x 400 |
| LFPRX-2x600-EMP | 2 x 600 |
| LFPRX-3x600-EMP | 3 x 600 |
| LFPRX-4x600-EMP | 4 x 600 |
| LFPRX-3x800-EMP | 3 x 800 |
| LFPRX-4x800-EMP | 4 x 800 |
| LFPRX-3x1200-EMP | 3 x 1200 |
| LFPRX-4x1200-EMP | 4 x 1200 |
| LFPRX-3x1250-EMP | 3 x 1250 |
| LFPRX-4x1250-EMP | 4 x 1250 |
* - устанавливаются по конфигурации S2 или S3.
** - настенный монтаж.
Эффективность подавления импульсов
Испытания MIL-STD-188-125-1, инжекционный ток пульсаций, форма волн 1,5/3000 мкс.
| Амплитуда входного импульса | Требования ст.MIL-STD-188-125 | Типичный отклик фильтра |
| 250 А | Отсутствие повреждения или ухудшения | Отсутствие повреждения или ухудшения |
Эффективность подавления импульсов
Испытания MIL-STD-188-125-1, инжекционный ток пульсаций, форма волн e 20/500 нс.
| Амплитуда входного импульса | Требования ст.MIL-STD-188-125 и ост. пропуск через фильтр |
| 250 A | < 10 A |
| 500 A | < 10 A |
| 1000 A | < 10 A |
| 1800 A | < 10 A |
| 2500 A | < 10 A |
Вносимые потери
Минимальные потери в системе 50 Ом с нагрузкой/без нагрузки
| Значение частоты | Вносимые потери |
| 14 кГц | 100 дБ |
| 1 МГц | 100 дБ |
| 10 МГц | 100 дБ |
| 100 МГц | 100 дБ |
| 1 ГГц | 100 дБ |
| 10 ГГц | 100 дБ |
| 40 ГГц | 100 дБ |
Номинальные параметры и характеристики
| Номинал. напряжение | Испыт. напряжение | Сопротивление изоляции | Разрядные резисторы | Время разряда | Макс. повышение температуры при полной нагрузке | Рабочий диапазон температуры при нагрузке | Ток утечки при 250 VAC 50 Гц | Пиковый имп. ток |
| 0 - 277/480 VAC 50/60 Гц | 2250 VDC каждая линия для UL 12583 и LVD (до установки переходных гасителей) | > 100 МОм (до подходящих разрядных резисторов) | Приспособленный внутренне от каждой линии к корпусу | < 30 сек. | +25 град. | -25 град. - +65 град. | < 10% от номинального тока | 70 кА (8/мкс) |
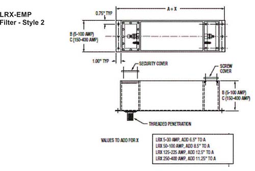
Диаграмма фильтров EMP Tempest
Физические характеристики
| Модель фильтра | Высота корпуса ("А") | Ширина корпуса ("B") | Глубина корпуса ("C") | Приблизительный вес |
| LRX-1030-EMP-* | 64,8 см | 11,4 см | 11,4 см | 10,4 кг |
| LRX-1060-EMP-* | 85,1 см | 15,2 см | 17,8 см | 18,1 кг |
| LRX-1100-EMP-* | 85,1 см | 15,2 см | 17,8 см | 20,4 кг |
| LRX-1250-EMP-* | 95,3 см | 20,3 см | 25,4 см | 45,4 кг |
| LRX-1400-EMP-* | 103,6 см | 20,3 см | 30,5 см | 54,4 кг |
| LRX-2010-EMP-** | 94,0 см | 22,89 см | 12,7 см | 31,8 кг |
| LRX-2030-EMP-** | 94,0 см | 22,89 см | 12,7 см | 31,8 кг |
| LRX-2060-EMP-** | 111,8 см | 35,6 см | 15,2 см | 36,3 кг |
| LRX-2100-EMP-** | 111,8 см | 35,6 см | 15,2 см | 45,4 кг |
| LRX-2250-EMP-** | 121,9 см | 35,6 см | 15,2 см | 54,4 кг |
| LRX-2400-EMP-** | 121,9 см | 61,0 см | 22,9 см | 90,7 кг |
| LPRX-2x30-EMP | 91,4 см | 30,5 см | 15,2 см | 36,3 кг |
| LPRX-3x30-EMP | 91,4 см | 45,7 см | 15,2 см | 49,9 кг |
| LPRX-4x30-EMP | 91,4 см | 61,0 см | 15,2 см | 63,5 кг |
| LPRX-2x60-EMP | 121,9 см | 40,6 см | 21,6 см | 63,5 кг |
| LPRX-3x60-EMP | 121,9 см | 35,6 см | 21,6 см | 90,7 кг |
| LPRX-4x40-EMP | 121,9 см | 76,2 см | 21,6 см | 117,9 кг |
| LPRX-2x100-EMP | 121,9 см | 40,6 см | 21,6 см | 68,0 кг |
| LPRX-3x100-EMP | 121,9 см | 61,0 см | 21,6 см | 97,5 кг |
| LPRX-4x100-EMP | 121,9 см | 76,2 см | 21,6 см | 81,6 кг |
| LFPRX-2x250-EMP | 188,0 см | 50,8 см | 35,6 см | 163,3 кг |
| LFPRX-3x250-EMP | 188,0 см | 76,2 см | 35,6 см | 231,3 кг |
| LFPRX-4x250-EMP | 188,0 см | 99,1 см | 35,6 см | 299,4 кг |
| LFPRX-2x400-EMP | 188,0 см | 50,8 см | 35,6 см | 172,4 кг |
| LFPRX-3x400-EMP | 188,0 см | 76,2 см | 35,6 см | 244,9 кг |
| LFPRX-4x400-EMP | 188,0 см | 99,1 см | 35,6 см | 317,5 кг |
| LFPRX-3x600-EMP | 208,3 см | 119,4 см | 45,7 см | 453,6 кг |
| LFPRX-4x600-EMP | 208,3 см | 119,4 см | 45,7 см | 453,6 кг |
| LFPRX-3x800-EMP | 196,9 см | 111,8 см | 71,1 см | 589,7 кг |
| LFPRX-4x800-EMP | 196,9 см | 111,8 см | 71,1 см | 589,7 кг |
| LFPRX-3x1200-EMP | 232,4 см | 124,5 см | 86,4 см | 816,5 кг |
| LFPRX-4x1200-EMP | 232,4 см | 124,5 см | 86,4 см | 816,5 кг |
| LFPRX-3x1250-EMP | 232,4 см | 124,5 см | 86,4 см | 816,5 кг |
| LFPRX-4x1250-EMP | 232,4 см | 124,5 см | 86,4 см | 816,5 кг |
* - устанавливаются по конфигурации S2 или S3.
** - настенный монтаж.
Фильтры ETS-Lindgren
Фильтры Power Line
• Двухпроводные однофазные фильтры LRX
• Однопроводные однофазные фильтры LRX
• Одно- и двухпроводные фильтры LRW
• N258X Сильноточные фильтры РЧ/ЭМ помех
• N242X Высокопроизводительные фильтры РЧ/ЭМ помех
Фильтры управления коммуникациями
• Фильтры Ethernet GigaFOIL v3
• Фильтры LTC систем анализа неисправностей
• Фильтры LTC систем безопасности
• Фильтры LTC сигнальных и сенсорных линий
• Фильтры LTC цифровых телефонных линий
• Фильтры аналоговые/голосовые телефонных линий
• Панели/корпуса LPTC для фильтров
Фильтры ЭМ пульсаций
• Фильтры ЭМ пульсаций HEMP (Non-Tempest)
• Фильтры EMP Tempest Powerline
